建议零售价 368元    
3567 销售包装 婴幼儿用时水量小 成年人用时水量大 尺寸图

这款花洒头十分轻巧可爱,既适用于婴幼儿,也适用于成年人。
花洒头上的按钮可随时调节出水的范围和流量,无论是婴幼儿还是成年人都能方便地使用这款花洒头进行淋浴。
本产品为标准的G1/2螺纹,可配市场上极大部分的标准软管。此外,厂家另送3个转换接头,可以顺利转接通用的英制、公制软管。
下载(5.3M)
 
建议零售价 198元    
356-200-C 销售包装 普通花洒低水压时出水 本产品低水压时出水 尺寸图

当水压低至0.05Mpa 或流量低至5升/分钟的时候,本产品仍能保持强劲的喷射水流。
本产品为标准的G1/2螺纹,可配市场上极大部分的标准软管。此外,厂家另送3个转换接头,可以顺利转接通用的英制、公制软管。
 
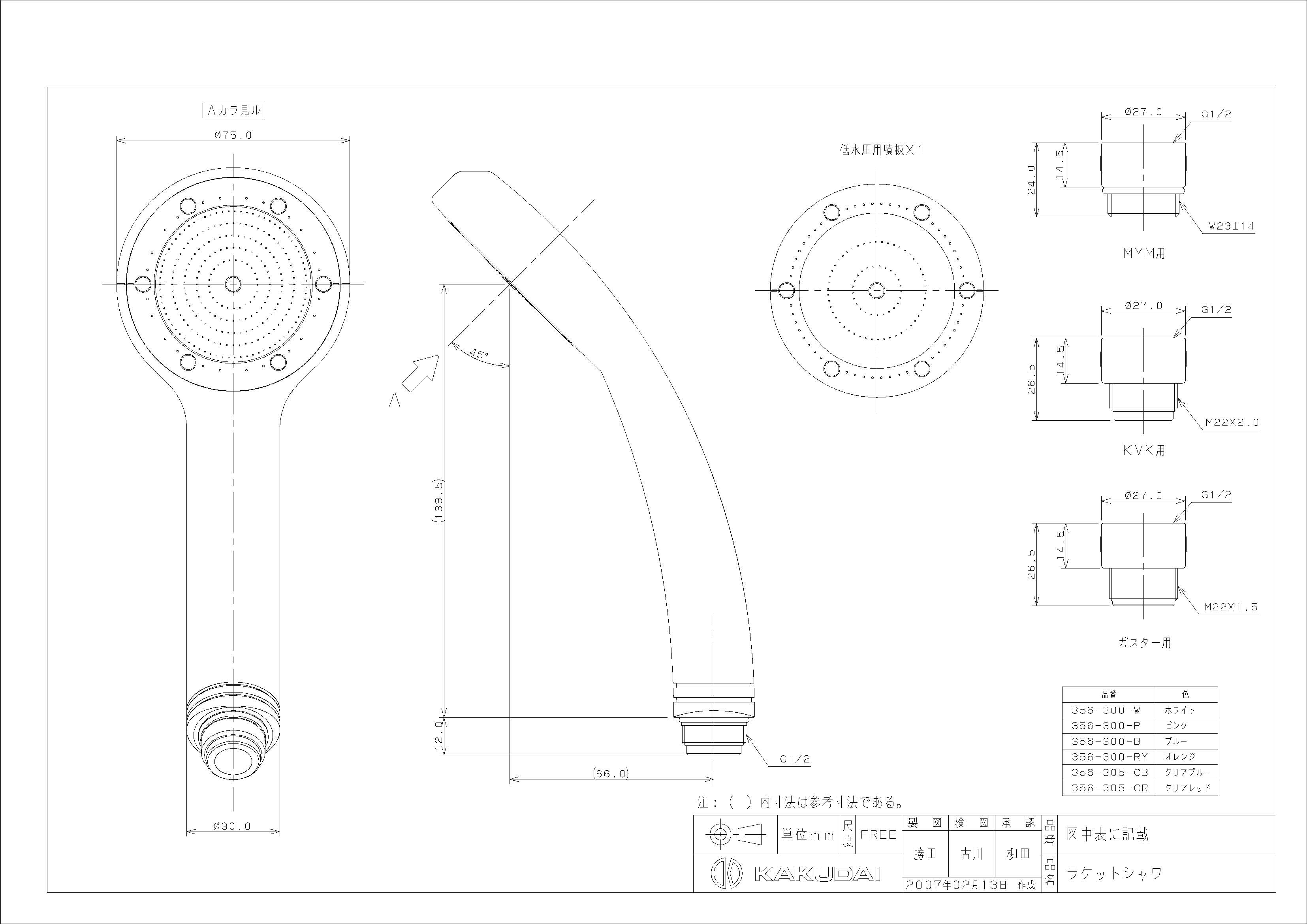
建议零售价 248元  
356-300-W 销售包装 普通喷板的出水 低水压喷板的出水 尺寸图

本产品采用较大面积喷板的设计,可比普通花洒头节省30%的用水量而不影响淋浴的舒适性。
原装配有低水压专用增压喷板,当供水水压较低时,增压喷板能使喷头出水处的水压或出水速度增加,最大限度地改善淋浴的舒适性。
增压喷板的安装只需按包装卡背面的说明或参考视频就能徒手操作,不需要使用任何工具。
本产品为标准的G1/2螺纹,可配市场上极大部分的标准软管。此外,厂家另送3个转换接头,可以顺利转接通用的英制、公制软管。
下载(4.4M)
 
建议零售价 298元    
356-710花洒本体透明,喷水面板有6种颜色可供选择
356-710-W 白色 356-710-B 蓝色 356-710-G 绿色 356-710-Y 黄色
 
 
356-710-P 粉红色 356-710-RY 橙色

尺寸图

虽然花洒本身带有开关,但这个开关只能起到临时止水的作用,使用完后必须关闭水龙头。
本产品为标准的G1/2螺纹,可配市场上极大部分的标准软管。此外,厂家另送两个转换接头,可以顺利转接通用的英制、公制软管。
下载(5.5M)
 
建议零售价 268元    

两款产品只是开关及喷水面板的颜色不同

356-701 356-701尺寸图 356-707 356-707尺寸图
虽然花洒本身带有开关,但这个开关只能起到临时止水的作用,使用完后必须关闭水龙头。
本产品为标准的G1/2螺纹,可配市场上极大部分的标准软管。此外,厂家另送两个转换接头,可以顺利转接通用的英制、公制软管。
下载(5.5M)
 
回首页